Kamis, 30 Januari 2014

Ginseng Merah dan teknis menanam

Menurut info yang sayaperoleh dari ahli tanaman herbal, Ginseng Korea atau Red Ginseng itu kualitasnya yang terbaik diantara semua jenis ginseng.
Ini nih beberapa manfaat dari Ginseng Korea (Red Ginseng) :
1. Meningkatkan stamina
2. Mengurangi kelelahan
3. Memperbaiki kondisi mental
4. Meningkatkan pengeluaran cairan tubuh
5. Mencegah iritasi
6. Mencegah diabetes
7. Menguatkan sistem pencernaan
8. Mengeluarkan racun

Dan setelah melalui beberapa penelitian, para ahli gizi mendapati ada 23 manfaat dari ginseng merah..

Selain akarnya yang punya banyak manfaat, kita juga bias mengkonsumsi Daun Ginseng sebagai sayuran. Selain itu buah Ginseng Korea ini juga bisa dibikin Juice koq. Rasanya manis, apalagi kalo diminum saat suasana panas trus dicampur es….. Jadinya makin Asyik..

Teknis Budidaya Ginseng Merah

GINSENG KOREA atau yang biasanya dikenal dengan RED GINSENG ternyata memiliki manfaat yang sangat banyak.
Diantaranya seperti yang tertera dibawah ini :
* Melancarkan Peredaran darah dan metabolisme.
* Membenahi pembentukan darah/ kelainan darah (anemia, leukemia, poliste nijavera).
* Menyembuhkan penyakit gangguan syaraf, migrain, vertigo dan mengurangi kadar stres.
* Meningkatkan stamina dan mengaktifkan sel-sel tubuh.
* Membantu menyembuhkan penyakit lever, hepatitis, kuning.
* Mencegah diabetes, menurunkan gula darah dan menahan dahaga.
* Membantu penyembuhan rheumatic, sakit nyeri persendian dan mencegah oestheoporosis.
* Menormalkan tekanan darah, baik darah tinggi maupun darah rendah.
* Menurunkan kadar kolesterol, asam urat, trigliserit, menghancurkan jaringan lemak.
* Melangsingkan tubuh dan mencegah pengerasan pembuluh darah.
* Mencegah dan menyembuhkan penyakit stroke dan jantung.
* Mencegah dan membantu penyembuhan penyakit tumor dan kanker.
* Memperbaiki fungsi ginjal dan hati.
* Menyeimbangkan antibodi dan hormon.
* Menyembuhkan demam berdarah, tifus dan flu.
* Menguatkan dan meningkatkan fungsi otak,
* Memperkuat pertumbuhan otak anak-anak dan pertumbuhan bayi.
* Menghaluskan kulit, menghilangkan flek, jerawat dan keriput.
* Memperlambat proses penuaan dan membuat panjang umur.
* Memulihkan stamina setelah operasi atau melahirkan.
* Meringankan syndrome pada wanita saat menghadapi menopause
* Menyuburkan kandungan dan menguatkan sel sperma serta meningkatkan daya sex (libido).
* Membantu penyembuhan sariawan, alergi dan sinusitis.
* MENAMBAH PENGHASILAN, karena logikanya jika badan sehat menjadikan penghasilan makin meningkat bukan?

Budidaya Red Ginseng ini sebenarnya termasuk kategori mudah untuk dilakukan. Namun mungkin karena belum melakukan praktek secara langsung maka banyak orang bertanya-tanya gimana sih caranya ???

Penyemaian
Untuk tahap awal tentunya benih yang kita dapatkan disemai terlebih dahulu pada sebuah wadah berisi tanah seperti pada gambar berikut.

Wadahnya bisa berupa Nampan datar persegi panjang dari kayu, atau jenis nampan lain, Polibag, Ember, Pot, dll dimana bagian bawahnya harus diberi lubang tempat keluarnya air. Tapi sebaiknya pada nampan atau sesuatu yang datar.

Wadah ditempatkan pada ruangan yang tidak terkena Air hujan/ Panas Matahari secara langsung. Karena dikhawatirkan kalau kena air hujan ataupun panas matahari terlalu banyak maka bibit akan layu.

Pada ketiga metode diatas, hasilnya bagus namun sebaliknya pada metode yang lain hasil pertumbuhan bibit ginseng sangat lambat/ kerdil.
Hal ini bisa di sebabkan karena pot yang ditanami bunga memiliki struktur tanah yang padat. sementara pada ketiga tempat diatas, tanahnya masih lembek dan subur.

Umur tanaman yang disemai pada keempat gambar diatas adalah 2 minggu sejak disemai. Namun pertumbuhannya tergantung pada struktur tanah yang ada.
Perkembangan selanjutnya setelah disemai adalah memindahkan tanaman ke polibag. Dimana hal ini dilakukan satu persatu.
Carilah polibag yang berukuran paling kecil namun memiliki dudukan yang rata.
Kemudian isikan tanah subur,
Buatlah lubang pada tanah sedalam 2-3 cm dengan menggunakan kayu atau jari anda
Letakkan benih yang sudah dicabut dari persemaian dan letakkan/ tanamkan pada lubang yang sudah dibuat.
Catatan:
Pemeliharaan seperti penyiraman dilakukan setiap hari namun harus diperhatikan bahwa jangan terlalu banyak air ataupun terlalu sedikit.

Penanaman
Yang harus dilakukan adalah menyiapkan bedengan yang ukurannya menyesuaikan dengan lahan yang ada.
Bisa dibuat di pekarangan rumah maupun di kebun/ ladang.
Setelah bedengan siap maka selanjutnya pada saat tumbuhan sudah berumur 1 bulan sejak penyemaian (2 minggu setelah di semai) maka tanaman yang berada di polibag sudah bisa dipindahkan pada bedengan yang anda telah buat terlebih dahulu.

Setelah Tanaman dipindahkan pada bedengan maka yang harus kita lakukan adalah tetap menyiraminya dengan air dan menyiangi tanaman dari rerumputan.
Bila ditanam pada pekarangan, jangan sampai di rusak oleh binatang peliharaan seperti ayam, bebek, kucing, dll.
Kalau boleh diberikan pagar agar tanaman kita aman.

Panen
Selanjutnya tanaman akan siap dipanen pada saat berumur 4 bulan.
Hal ini ditandai dengan buah ginseng yang sudah berwarna merah.

Jika yang diharapkan kwalitas, maka rawatlah terus ginseng itu hinga berumur 1-6 tahun, sehingga orang yang memakai produk ini akan merasa puas..

Tapi yang saya bahas ini hanya berupa ringkasannya saja, Pada waktu berikutnya akan saya ulas kembali.

Sumber : http://infoafif.wordpress.com/2011/07/15/ginseng-merah-dan-teknis-menanam/
{ Read More }


Kamis, 23 Januari 2014

Ramalan Zodiak 2014

Ramalan Zodiak 2014 - Yang semakain menari untuk bisa kita ketahui kan, hehe..karena dengan melihat zodiak 2014 kali ini maka anda bisa mengetahui zodiak anda yang lagi baik atau lagi kurang baik di saat tahun 2014 nantinya, tetapi si yang penting optimis saja ya untuk bisa mendapatkan hidup yang baik karena perjalanan waktu adalah hal yang harus kita lewati dengan cara berdoa supaya bisa lancar dan tidak ada hambatan nantinya di saat menjalani hidup kita.

Untuk sebelumnya saya juga sudah posting tentang ramalan 2014 yang mana di tahun 2014 akan selalu banyak rintangan yang di hadapi oleh masnyarakat Indonesia, karena ada wabah dan juga hambatan yang harus dilakukan dengan cara iklas supaya bisa menjalani dengan baik gand.

Oke untuk itulah ramalan zodiak 2014 ini anda bisa membaca di bawah ini ya supaya bisa mengetahui apa yang terjadi pada zodiak anda di tahun 2014 kali ini oke.


Ramalan Zodiak Capricorn (22 Des - 19 Jan)

Umum : Mungkin Anda butuh meneliti kembali dan mengingat semua kontak di masa lalu yang bisa membantu Anda memecahkan masalah minggu ini. Setelah itu hubungi mereka dan ceritakan masalah Anda. Setidaknya ada salah satu usaha yang bisa Anda lakukan ketimbang bingung dan memikirkannya sendiri. Ada beberapa orang yang bisa dipercaya dan tidak. Dan kenyataannya memang tak semua orang selalu peduli pada Anda. Untuk itu, lebih pandai dan cermat memilih teman saja.

Percintaan : Jika pendekatan Anda tak tampak mendatangkan hasil, jangan keburu kecewa. Bisa jadi ini memang bukan jalan Anda. Masih banyak lho orang-orang menarik di sekeliling Anda. Coba cermati orang yang selalu berusaha dekat dengan Anda akhir-akhir ini. Berpasangan: Bila orang di sekitar Anda tampak seperti selalu bahagia, percayalah bahwa mereka juga punya masalah. Bedanya ada yang menunjukkan kalau mereka punya masalah, dan ada yang tidak. Itulah yang akhirnya sering membuat orang lain jadi cemburu.

Karier & Keuangan : Menunda tugas penting akan menyeret Anda pada masalah. Jadi lebih baik bangun lebih pagi dan meluangkan waktu lebih banyak untuk menyelesaikan beberapa hal yang mendesak dari atasan. Jangan pikirkan reward yang Anda dapat, tetapi berusahalah menunjukkan hasil yang terbaik. Perubahan sikap rekan Anda akan membuat Anda bertanya-tanya dan cukup penasaran, namun jangan sampai mengganggu pekerjaan Anda. 

Ramalan Zodiak Aquarius (20 Jan - 18 Feb)

Umum : Anda memang mudah bosan dan mudah jatuh cinta akan hal-hal yang di luar kebiasaan Anda. Minggu ini cobalah untuk lebih praktis dan bersikap plegmatis terhadap sekeliling Anda. Minggu ini, Anda juga harus mendorong diri Anda lebih maksimal ke tujuan yang sudah Anda rencanakan. Keseriusan yang Anda tunjukkan akan membuat orang-orang terdekat Anda merasa nyaman dan tidak terlalu khawatir akan keputusan yang Anda buat. Jika Anda merasa bosan, lebih baik Anda gabungkan saja rutinitas dengan hal-hal yang menyenangkan.

Percintaan : Anda mungkin berpikir bahwa hadiah akan membuat gebetan beralih kepada Anda. Hmmm... Anda salah. Justru mendapatkan perhatian dan hati Anda jauh lebih penting baginya. Anda memang seringkali tak punya banyak waktu karena kesibukan Anda, untuk itu Anda harus menunjukkan keseriusan Anda dengan menyediakan lebih banyak waktu untuknya. Berpasangan: Jika Anda mulai kehilangan kendali, maka pikirkan kembali hubungan Anda. Dan ingat kembali kesalahan yang pernah Anda buat. Kemudian bandingkan dengan perubahan sikap dan perbaikan yang Anda lakukan, bagaimana hasilnya?

Karier & Keuangan : Angka tak pernah berbohong, untuk itu Anda harus lebih berhati-hati bila mengerjakan pekerjaan yang berhubungan erat dengan angka. Anda tak bisa meremehkan begitu saja dan harus lebih teliti saat mengerjakannya. Akan muncul ide yang cemerlang jika Anda tahu dasar dari permasalahan yang sedang dihadapi. Untuk itu kumpulkan info-info lengkap sehingga Anda bisa percaya diri menyelesaikan pekerjaan Anda. 

Ramalan Zodiak Pisces (19 Feb - 20 Mar)

Umum : Energi Anda di minggu ini tampaknya tidak sebanyak biasanya, sehingga tak heran bila di minggu ini Anda akan merasa mudah lelah. Mendengarkan adalah sebuah langkah kemenangan yang perlu Anda tempuh juga. Anda tak bisa menang dalam argumentasi bila Anda hanya terus ngotot dan tak mau mendengarkan. Hadapi beberapa hal baru dengan pikiran terbuka di minggu ini. Tak semua hal harus berjalan begitu terus, semua pasti ada perkembangan yang membuat berbeda.

Percintaan : Jika Anda sedang dalam hubungan yang membingungkan alias cinta segitiga, jangan biarkan diri Anda semakin larut dalam hubungan tersebut. Keluarlah dan lebih baik melangkah sendiri ketimbang harus mengganggu hubungan orang lain. Sekalipun mungkin Anda iba mendengarkan ceritanya, namun jangan sampai Anda jatuh pada jebakan yang membingungkan. Anda bisa kok mendapatkan seseorang yang bisa memberikan cinta dan perhatian penuh, mengapa harus berbagi cinta dengan orang lain?

Karier & Keuangan : Merasa sedang tidak fit di minggu ini? Anda tak perlu menunjukkan bahwa diri Anda memang sanggup mengerjakan semua pekerjaan sendiri. Anda tahu benar bahwa saat ini kondisi tubuh Anda sedang tidak baik, sehingga tak perlu merasa malu meminta bantuan dari rekan. Coba lihat dari sisi artistiknya, ini akan membantu Anda memberikan nilai plus di depan atasan. Komitmen memang sangat penting, tetapi kesehatan Anda juga tak kalah penting. Untuk itu pastikan tubuh Anda memiliki waktu istirahat yang cukup.

Ramalan Zodiak Aries (21 Mar - 19 Apr)

Umum : Sekalipun menemui sesuatu yang membuat Anda panik, berusahalah menarik nafas panjang dan menenangkan diri Anda kembali. Jangan biarkan diri Anda menyendiri, cari teman untuk berbincang dan sekedar berbagi. Di pertengahan minggu, masalah pelik yang Anda hadapi akan menemui sebuah jalan keluar. Namun, ini tetap tidak akan mudah. Semangat Anda ini sangat dinantikan dan menjadi contoh juga bagi orang-orang di sekitar Anda. Karena begitu diharapkan, terkadang memang Anda merasa sedikit terbeban. Kuncinya adalah tetap fokus pada tujuan dan menjalani semuanya dengan teliti. Usahakan juga tidak mengerjakan semuanya dalam hari yang sama. Ingat lho, energi dan kemampuan tubuh Anda terbatas, perlu istirahat juga.

Percintaan : Anda yang baru saja menjalin komitmen dengan seseorang, minggu ini Anda sedang menikmati status baru tersebut. Namun jangan keburu membicarakan hal-hal serius dan mendalam, lebih baik buat agar hubungan Anda dan dia lebih erat saja dulu. Single: tampaknya perbincangan hangat Anda akan mengarah ke hubungan yang lebih dekat. Sesekali flirting itu sah juga kok, toh statusnya juga masih single.

Karier & Keuangan : Awal minggu memang selalu disambut dengan setumpuk pekerjaan yang sempat tertunda karena weekend. Jangan memaksakan diri untuk menyelesaikannya dalam satu hari saja. Berikan pula jeda bagi diri Anda untuk beristirahat karena kesehatan juga jauh lebih penting bagi Anda saat ini. Di minggu ini Anda juga akan disibukkan dengan kegiatan menghitung profit and loss yang cukup melelahkan. Pastikan Anda lebih teliti dan melakukan 

Ramalan Zodiak Taurus (20 Apr - 20 Mei)

Umum : All for one and one for all, itulah motto Anda minggu ini. Banyak hal akan Anda lewatkan bersama sahabat-sahabat Anda, dan Anda sangat menikmati momen tersebut bersama mereka. Di pertengahan minggu mungkin Anda akan sedikit disibukkan dan dibuat agak sulit memiliki jam kosong, namun Anda tengah bersemangat akan kesibukan itu. Anda merasa siap untuk menjalin hubungan baru? Jika diri Anda sudah menjawab ya, maka Anda tak perlu menunggu lama.

Percintaan : Sudahkah Anda menunjukkan dan menyatakan perasaan Anda sebenarnya? Jika Anda memang sudah benar yakin akan seseorang yang tengah dekat saat ini, inilah saat yang tepat untuk menyatakan perasaan Anda. Namun kalau ada sedikit saja keraguan di dalam hati, maka Anda masihharus bersabar. Berpasangan: Anda tak bisa memaksa seseorang berubah menjadi seperti yang Anda inginkan. Untuk mengatasi problem dalam hubungan, kedua belah pihak yang harus berubah.

Karier & Keuangan : Bekerja dalam team akan jauh lebih efektif ketimbang bekerja sendirian saja di minggu ini. Produktivitas Anda juga akan lebih meningkat ketika bekerja di dalam team. Alasannya, karena ide Anda akan semakin dilengkapi dan didukung oleh rekan Anda yang lain. Keuangan menjadi problem bila Anda tak bisa mengontrol pengeluaran dengan baik. Anda akan sangat membutuhkan kecermatan perhitungan saat berinvestasi sendiri. 

Ramalan Zodiak Gemini (21 Mei - 20 Juni)

Umum : Anda sangat mengharapkan adanya perubahan dan progress di minggu ini, tetapi ini bukan saatnya untuk terburu-buru. Anda memang orang yang sangat bersemangat, tetapi lebih baik santai saja dulu. Jika toh memang Anda ingin membuat sebuah langkah yang besar, maka rencanakan dengan benar-benar matang. Tampaknya banyak orang yang merindukan Anda, baik sahabat dan keluarga yang tak sabar ingin mendengarkan cerita Anda. Anda sangat membutuhkan waktu untuk berpikir panjang dan menikmati me time minggu ini. Fokuskan saja hal-hal yang memang berhubungan langsung dan memberikan efek besar bagi hidup Anda.

Percintaan : Beberapa hal akan membuat Anda merasa sangat khawatir akan masa depan, tetapi sebaiknya Anda tidak hanya menduga-duga saja. Anda akan salah tanggap akan hal yang cukup sensitif, tetapi percayalah bahwa cinta sejati itu memang benar-benar ada. Anda akan belajar akan hal itu sepanjang hubungan Anda. Karena Anda adalah sosok yang ambisius dan perfeksionis, maka Anda akan lama menyadari bahwa seseorang memang cocok dengan Anda. Kuncinya dalam hubungan adalah asmara, Anda hanya butuh waktu untuk selalu meyakinkan diri saja.

Karier & Keuangan : Jika pekerjaan Anda di minggu ini membuat Anda frustasi, maka berusahalah mencari hal menyenangkan untuk menjadi pelampiasan yang positif. Tak semua hal memang akan berjalan sesuai yang Anda inginkan. Tak semua orang memiliki kemampuan untuk memberikan yang terbaik. Namun Anda tak bisa juga menuntut dan menyalahkan mereka akan hal itu. Lebih baik tetap fokus saja pada ide-ide Anda dan kemajuan diri sendiri. Habiskan sebagian waktu dengan belajar hal baru yang bisa Anda aplikasikan dalam bisnis Anda.

Ramalan Zodiak Cancer (21 Juni - 22 Juli)

Umum : Bagaimana cara agar minggu ini Anda tidak merasa stress dan terbeban dengan pekerjaan? Kuncinya hanya satu, fokus pada satu per satu hal terlebih dahulu. Tinggalkan hal yang mengganggu pekerjaan Anda, termasuk saat teman harus curhat atau akun socmed Anda. Sangat mungkin di minggu ini untuk Anda melakukan kesalahan jika Anda tidak teliti dan mengontrol diri. Untuk itu berpikir lebih panjang saat akan melakukan ataupun membicarakan sesuatu.

Percintaan : Seperti ada perang di dalam diri Anda minggu ini. Anda bingung untuk memilih dua hal yang rasanya sama pentingnya bagi Anda. Kuncinya adalah membuat pilihan yang terbaik dengan pertimbangan yang matang. Anda harus benar-benar memperhatikan detail untuk menentukan pilihan Anda kali ini. Anda juga akan bertemu dengan orang-orang yang mengagumkan. Jangan menaruh ekspektasi terlalu tinggi di perkenalan pertama, lebih baik tempatkan diri Anda di posisi teman. Tenang saja, tak perlu Anda pikirkan juga soal harus menikah kapan.

Karier & Keuangan : Jika Anda diberikan kepercayaan untuk menghandle beberapa pekerjaan yang sebenarnya kurang Anda kuasai, jangan keburu merasa tidak percaya diri. Anda toh hanya tahu kulitnya saja, justru di sini Anda diberikan kesempatan untuk mencoba dan belajar hal baru. Pakai kesempatan ini dan manfaatkan sebaik-baiknya. Fokuskan pula perhatian Anda pada hal-hal detail yang bisa Anda lakukan, sehingga beban Anda jauh terasa lebih ringan. Problem keuangan bisa diatasi dengan lebih teliti membagi pengeluaran Anda.

Ramalan Zodiak Leo (23 Juli - 22 Agust)

Umum : Hati-hati akan hal-hal yang menyeret Anda dalam situasi drama di minggu ini. Anda tahu benar kok harus bagaimana, sehingga Anda tak perlu menyeret disi sendiri dalam drama yang justru tidak akan memperbaiki situasi. Di pertengahan minggu ini Anda justru merasa lebih bahagia saat penasaran pada sesuatu atau seseorang. Sudah cukup lama Anda tidak merasa seexcited ini. Tentu saja ada hal-hal yang perlu Anda pelajari dan Anda tak boleh menutup diri akan hal-hal baru ini. Anda sangat membutuhkan perhatian lebh di minggu ini, tetapi Anda juga tak sebaiknya terlalu egois. Lebih baik Anda memberi terlebih dahulu untuk mendapatkan sesuatu yang Anda inginkan.

Percintaan : Berpasangan: Anda yang baru saja merayakan komitmen baru Anda akan banyak menghabiskan waktu berdua dan mengenal satu sama lain. Proses mengenal satu sama lain ini justru menjadi hal yang menyenangkan. Namun berhati-hati pula, ada beberapa hal yang mungkin di fase awal Anda tidak menanyakannya. Single: Sebenarnya apa yang akan Anda lakukan di minggu ini justru akan memberikan hal-hal yang menyenangkan. Anda hanya tak perlu merasa terlalu terbeban dan khawatir akan status single Anda. Lebih baik berpikir bahwa ini adalah minggu pertemanan, ajak teman Anda untuk hangout dan berbagi cerita.

Karier & Keuangan : Jangan menunda segala sesuatu yang berhubungan dengan pembayaran di minggu ini. Memang sebaiknya Anda memiliki budget lebih untuk membereskan semua hal tersebut. Dan mempertimbangkan masak-masak semua pengeluaran yang sedang Anda susun. Membaca peta bisnis cukup penting juga, bila ada kesempatan berinvestasi di hal baru, jangan buang kesempatan tersebut. Bersosialisasi dan memperluas pertemanan sangat membantu perkembangan karier dan bisnis Anda. 

Ramalan Zodiak Virgo (23 Agust - 22 Sept)

Umum : Bintang Anda minggu ini meminta Anda untuk memulai suatu hal yang baru. Apapun yang Anda merasa bahwa hal itu menghalangi Anda saat ini, jangan biarkan selamanya akan terus menghalangi. Beranikan diri Anda untuk meraih kesempatan melakukan hal baru. Di pertengahan minggu ini Anda akan terlibat sebuah konflik dengan orang yang dekat dengan Anda. Akan lebih mudah bila Anda menyelesaikannya dengan cara berbicara dari hati ke hati.

Percintaan : Tidak ada yang sempurna dalam segala hal di hidup ini, termasuk pasangan. Namanya juga manusia, selalu punya kelebihan dan kekurangan. Dan untuk itu lebih baik Anda fokus pada komitmen saja, jangan hanya membahas dan terfokus pada kekurangannya. Komunikasi yang lebih sehat akan Anda miliki bagi yang sedang berpasangan. Anda menemukan kunci dan rumusan yang pas, sehingga perselisihan paham bisa sedikit berkurang.

Karier & Keuangan : Semua kekacauan minggu ini tak bisa dilimpahkan pada orang lain saja, karena setidaknya Anda juga turut andil dalam hal tersebut. Untuk itu, ketimbang terfokus pada mencari siapa yang salah lebih baik Anda mengejar dan menghemat waktu serta mencari penyelesaian yang terbaik. Komunikasi agak sedikit bermasalah dengan rekan karena Anda dan mereka agak sensitif. Hal ini disebabkan suasana panas dan kesibukan yang berat. Anda butuh istirahat agar kepala lebih dingin dan tenang. 

Ramalan Zodiak Libra (23 Sept - 22 Okt)

Umum : Anda memang dilahirkan sebagai sosok yang sangat menarik dan selalu mempesona. Minggu ini Anda dapat melewati banyak masalah karena pesona Anda. Memang sih, urusan penampilan Anda tak pernah meragukan selera Anda, dan inilah yang memudahkan Anda minggu ini. Anda harus fokus dan tahu mana yang lebih dulu harus diselesaikan minggu ini, entah masalah pribadi atau masalah kerja. Di akhir minggu ini Anda akan menemukan beberapa kegiatan baru dan menyenangkan yang menjadi hobby bagi Anda.

Percintaan : Sedang berpikir akan seseorang yang menarik di minggu ini? Mengapa tak memulai obrolan dan mengajaknya dia pergi ke suatu tempat untuk sekedar ngobrol. Setidaknya niat baik Anda ini juga akan membuat Anda lebih tenang dan tidak gelisah. Ketimbang Anda selalu waswas dan khawatir. Berpasangan: lebih mudah bila Anda berbicara langsung dengannya ketimbang melampiaskan amarah lewat sms atau chatting. Ini tidak akan membantu Anda menyelesaikan masalah. Yang ada justru kesalahpahaman yang berlarut-larut.

Karier & Keuangan : Pekerjaan akan membuat Anda merasa sangat sibuk, terutama beberapa hal ini memicu kompetisi antar rekan kerja. Ada saatnya Anda harus memberikan reward kepada diri sendiri atas kerja keras dan usaha yang Anda lakukan. Ini juga penting terutama agar Anda bisa lebih fresh dan bersemangat menghasilkan ide-ide yang cemerlang. Merasa kesulitan saat berhadapan dengan orang yang idealis dan keras kepala? Anda harus memintanya bercerita panjang lebar, Anda akan menemukan sisi kelemahannya kemudian. 

Ramalan Zodiak Scorpio (23 Okt - 21 Nov)

Umum : Tenang saja, Anda tak harus memilih satu hal saja kok. Anda punya banyak pilihan sebenarnya, Anda cuma harus merasa lebih bebas dan tidak terpatok pada pilihan yang dianggap paling benar. Justru Anda harus menanyakan diri Anda terlebih dahulu, mana yang Anda mau. Anda akan dibuat bingung minggu ini, antara mendengarkan hal-hal yang negatif dan positif. Terkadang memang Anda mudah terpengaruh dan kurang tegas dalam bersikap saat genting. Jika kompetisi yang membuat Anda merasa tertekan, maka bersikaplah seolah tidak ada kompetisi.

Percintaan : Tetap berpikiran terbuka dan lebih bijaksana dalam menampung informasi yang Anda terima di minggu ini ya. Jangan sampai justru informasi itu menyeret Anda pada masalah, terutama perdebatan dengan diri sendiri. Percaya saja pada pilihan Anda, karena Anda cukup tahu dan punya intuisi yang kuat akan apa yang terbaik bagi Anda. Single: mengapa harus panik jika memang Anda sudah lama menantikan momen dating ini? Jangan batalkan, dan berusahalah tampil semaksimal mungkin. Percaya diri saja dan jadi diri sendiri, akan menyenangkan kok.

Karier & Keuangan : Menemukan banyak kejutan akan membuat Anda lebih bersemangat, tetapi bila kejutan tak kunjung datang, beri saja diri sendiri dengan reward. Anda pantas mendapat reward karena telah bekerja keras selama ini. Lain kali, jika Anda merasa terlalu lelah, minta bantuan orang lain untuk melakukannya. Akan jauh lebih ringan bila Anda tidak mengerjakannya sendiri.

Ramalan Zodiak Sagitarius (22 Nov - 21 Des)

Umum : Merasa minggu ini sangat lambat? Jangan justru memaksa diri bekerja terlalu keras, karena ini waktunya untuk beristirahat. Cari hal-hal menyenangkan untuk dilakukan. Ambil cuti dan liburan serta habiskan lebih banyak waktu dengan orang terdekat Anda. Jika Anda punya rencana yang sudah cukup matang soal hubungan asmara, ini saat yang tepat untuk mengungkapkannya pada pasangan.

Percintaan : Ingatan Anda akan masa lalu akan membawa masalah bagi diri sendiri bila tidak Anda singkirkan. Terutama ingatan yang buruk yang justru membuat Anda jadi tidak dapat menikmati status single saat ini. Berpasangan: berpikir lebih simple dan sederhana saja, akan jauh lebih menyenangkan kok ketimbang Anda ribet dan khawatir akan hal-hal yang belum terjadi. Di minggu ini, rencana yang sudah cukup matang sebaiknya dibicarakan.

Karier & Keuangan : Awal minggu ini bukan seperti biasanya yang berjalan cepat, terasa sangat lambat bahkan hari-hari terasa panjang. Bila orang lain sedang dikejar deadline pekerjaan yang menumpuk, Anda tak tampak terlihat sibuk dan justru bingung mencari sesuatu untuk dikerjakan. Kali ini, bila Anda punya kesempatan dan waktu luang yang banyak, manfaatkan waktu tersebut melakukan beberapa hal penting lain yang berhubungan dengan kemanusiaan. Cari saja kesibukan untuk diri sendiri, dan tetap seimbangkan waktu Anda. Anggap saja ini adalah minggu reward bagi Anda melakukan hal-hal yang Anda suka.



Semoga Info tentang ramalan zodiak 2014 kali ini menjadi salah satu hal yang berguna buat semua pembaca di blog blogspot.com sehingga menjadi hal baik, dan saya ucapkan terma kasih atas kunjungan anda di blog ini ya.
{ Read More }


Rabu, 22 Januari 2014

Skema Lampu Kedip 200 Watt 220 VAC Yang Dapat Disetel


Terlampir di bawah adalah skema untuk saklar lampu kedip yang dapat disetel frekuensi kedipannya. Saklar atau switch yang digunakan adalah SCR (Silicon Controlled Rectifier). Saklar lampu kedip sering juga disebut sebagai flasher.

Rangkaian switch lampu kedip ini dapat digunakan untuk menghidupkan dan mematikan lampu atau cahaya berkelap-kelip yang diaplikasikan sebagai pencahayaan atau dekorasi untuk pesta, hiburan, tampilan toko, perayaan, Natal, Tahun Baru, dll.

Perhatian: seluruh rangkaian terhubung langsung dengan tegangan tinggi 220 VAC, jangan menyentuh rangkaian saat terhubung dengan tegangan tinggi.

Rangkaian ini hanya mempunyai dua kabel, kabel pertama tersambung pada lampu (B), kabel lainya tersambung pada jaringan listrik 220 VAC melalui sekring (F). Desainnya sederhana tapi sangat effektif. Arus bertegangan tinggi akan mengalir melalui lampu (B), melewati rangkaian, dan keluar lewat sekring (F). Rangkaian disuplai langsung oleh tegangan 220 VAC. Lampu dan sekring membantu memproteksi rangkaian dari arus besar bertegangan tinggi.

Video tentang test rangkaian ini dapat dilihat di artikel "Saklar Lampu Kedip 200 Watt Yang Dapat Disetel"



Komponen-komponen elektronik yang digunakan adalah:

B = bulb, lampu pijar 220 V dengan daya maximal 200 watt. Daya lampu dibatasi oleh kemampuan SCR dan dioda mengalirkan arus. Bisa terdiri dari beberapa buah lampu yang disambung paralel. Misal 40 buah lampu pijar 5 watt yang disambung paralel, untuk dipasang pada gerbang jalan.

R = resistor, tahanan senilai 56 kiloohm berdaya 1 watt, berfungsi mensuplai arus kepada rangkaian.

P = potensiometer, sebesar 5 kiloohm berdaya 1 watt, dapat disetel untuk mengatur frekuensi kedipan. Potensiometer ini harus terisolasi dengan baik, karena akan disetel saat rangkaian tersambung jaringan tegangan tinggi. Jika menggunakan potensiometer kualitas rendah dan tidak bagus isolasinya, dapat menyebab orang yang menyetel kedipan lampu tersengat listrik tegangan tinggi.

D = Dc = dioda, 1N4007, mampu mengalirkan arus 1 ampere dengan tegangan mencapai 1000 volt. Jika perlu menambah daya lampu pijar, misal menjadi 400 watt, maka dioda Dc pada output (katoda) SCR harus diperbesar arusnya, dengan mengganti dengan dioda yang lebih besar atau 2 buah dioda 1N4007 disambung paralel. Dioda pada katoda ini berfungsi memastikan hanya arus searah yang melewati kondensor (C), juga melindungi SCR dari tegangan balik yang tinggi. Sedangkan dioda yang menghubungkan potensiometer (P) dengan anoda SCR berfungsi mencegah tegangan tinggi masuk ke kondensor (C), tapi dapat dilewati arus pengosongan dari kondensor (C) agar lampu pijar (B) dapat mati setelah menyala.

Dz1 = dioda zener 16 volt 1 watt, membatasi tegangan suplai ke kondensor (C).

C = condenser atau kondensor, senilai 220 mikrofarad 25 volt, kondensor ini menentukan frekuensi kedipan. Karena tegangan yang disuplai kepada kondensor mencapai 16 volt, maka kondensor dengan spesifikasi tegangan maximal 25 volt sudah cukup memadai.

Dz2 = dioda zener 6 volt 1 watt, menentukan nilai minimal tegangan kondensor agar dapat memicu trigger SCR, sehingga SCR akan menyambung dan lampu pijar menyala. Jika tegangan pada kondensor kurang dari 6 volt, maka SCR akan memutus dan lampu pijar mati.

SCR = Silicon Controlled Rectifier atau Thyristor, dengan nomor kode CV12C, suatu dioda yang hanya akan tersambung anoda dengan katodanya jika ada tegangan picu pada gerbang (gate), atau dengan kata lain sebagai saklar (switch). SCR ini mampu mengalirkan arus maximal 2 ampere,  tapi agar aman sebaiknya tidak melebihi 1 ampere dengan tidak memasang lampu pijar (B) lebih besar dari 200 watt, unduh lembar data CV12C disini. Bisa juga menggunakan SCR nomor kode 2P4M, lembar datanya dapat diunduh di sini.

Untuk daya lampu (B) sampai sebesar 200 watt, SCR tidak membutuhkan keping pendingin (heatsink) tambahan. Untuk memastikan, periksa temperatur SCR setelah 1 menit berkedip. Jangan sentuh SCR, kecuali jika kedua kabel sirkuit sudah tidak terhubung ke jaringan tegangan tinggi. Dioda Dc juga tidak panas jika diberi beban 200 watt.

F = fuse, sekring, disesuaikan dengan daya lampu (ampere = daya : tegangan), jika menggunakan lampu 200 watt, maka arusnya yang melalui sekring adalah 200 : 220 = 0.9 ampere, bisa menggunakan sekring 1 atau 2 ampere. Sekring bisa sedikit lebih besar dari hasil perhitungan arus, karena pada saat lampu mulai menyala arus yang ditarik lampu lebih besar dari saat lampu sudah menyala stabil. Tapi jika memasang sekring yang terlalu besar maka tidak melindungi rangkaian.

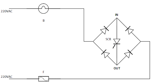
Rangkaian juga dapat dimodifikasi agar menggunakan gelombang penuh sebagaimana skema dibawah.


Untuk pemula sebaiknya tidak menerapkan rangkaian gelombang penuh ini, Karena jika tersengat listrik akan sangat berbahaya. Sangat kecil kesempatan bagi gerakan leks tubuh untuk menarik anggota badan yang tersengat listrik. Pada rangkaian setengah gelombang, ada jeda waktu dimana tidak ada tegangan tinggi, sehingga memberi kesempatan bagi leks tubuh untuk menarik anggota badan yang tersengat listrik.

Terlihat pada rangkaian gelombang penuh, dioda Dc diganti dengan 4 buah dioda membentuk jembatan. Rangkaian pada SCR mirip dengan rangkaian setengah gelombang. Perhatikan titik IN dan OUT untuk menyambung rangkaian SCR dengan jembatan dioda. Demi amannya, resistor R dan zener Dz1  diganti dengan daya 2 watt. Periksa jika SCR panas maka perlu diberi pendingin. Frekuensi kedipan dapat berubah, sehingga kondensor C harus sedikit diperbesar agar sesuai dengan frekuensi yang diinginkan.

Saya sendiri lebih menyukai rangkaian setengah gelombang. Karena lebih sederhana, aman, dan membuat lampu tampak bergetar sangat menyala, sebagai efek dari hanya setengah gelombang dari tegangan tinggi yang dimanfaatkan.


{ Read More }


Peeling Wajah Sendiri yuk


Peeling Wajah ternyata adalah salah satu proses yang penting untuk kecantikan dan kesehatan kulit wajah. Dengan melakukan proses peeling, kita akan membantu regenerasi kulit mati.

Sebagian orang mengaku bahwa terkadang tak ada banyak waktu untuk melakukan peeling di salon. Mengantre dan pergi ke salon saja sudah makan waktu, belum lagi budget yang dikeluarkan biasanya cukup besar. Padahal, dengan melakukan peeling rutin, kulit akan jauh lebih cerah, bersinar, dan membantu mengatasi problem penuaan dini.

Anda yang mengalami masalah yang disebutkan di atas, bisa kok mencoba melakukan peeling sendiri di rumah. Yang Anda perlukan adalah:

1. Cream peeling

2. Handuk

3. Air hangat

Namun, sebelum Anda mulai mempraktekkannya, ada beberapa hal yang harus Anda ketahui sebelumnya:

Lakukan dengan rutin

Ya, agar kulit benar-benar sehat dan bersih, Anda harus melakukan peeling dengan rutin. Sesuaikan produk dengan jenis dan kebutuhan kulit Anda, agar hasilnya maksimal dan mengurangi efek samping.

Peeling disarankan dilakukan maksimal 2 kali dalam satu bulan. Sekalipun mungkin Anda merasa wajah sudah kusam dalam seminggu, namun kulit membutuhkan waktu untuk beregenerasi. Bahkan, sebagian orang melakukan peeling rutin hanya 1 bulan sekali.

Waktu peeling terbaik?

Waktu melakukan peeling terbaik sebenarnya adalah di sore atau malam hari. Di waktu ini Anda tidak akan bersentuhan langsung dengan sinar matahari, sehingga kulit dapat beristirahat dan jauh dari radiasi UV A dan UV B.

Disarankan juga, setelah melakukan peeling, Anda menghindari sinar matahari langsung dan memakai pelindung entah topi atau payung. Sunblock tidak disarankan, karena sebaiknya selama 3 hari Anda tidak membiarkan kulit terkontaminasi bahan apapun, termasuk cream-cream yang biasa Anda pakai, cukup facial wash saja.

Kapan boleh pakai sunblock?

Setelah tiga hari Anda boleh memakai aneka produk kosmetika Anda, termasuk sunblock. Selalu gunakan sunblock dengan SPF tinggi, terutama saat beraktivitas di bawah sinar matahari langsung.

Lakukan tes iritasi

Nah, apabila jenis kulit Anda adalah kulit sensitif, maka Anda harus mencari produk yang aman dan harus dicoba dulu. Caranya, cobalah di bagian punggung tangan, diamkan selama kurang lebih 1 jam dan lihat apakah ada reaksi alergi. Apabila tidak ada, maka Anda bisa menggunakan produk tersebut.

Bagian mana yang dipeeling?

Yang jelas, Anda bisa melakukan peeling di seluruh bagian wajah dan leher, namun selalu hindari bagian yang terluka atau sedang berjerawat agar luka dan jerawat tidak menimbulkan infeksi.

Langkah-langkah peeling:

1. Bersihkan wajah dengan susu pembersih dan toner, sambil dipijat-pijat selama 1 menit

2. Sterilkan pin pemencet jerawat dan komedo, sebelum digunakan dengan alkohol 70%. Kemudian baru boleh dipakai.

3. Setelah proses pemencetan jerawat dan komedo selesai, pakai cream peeling. Hindari bagian jerawat yang meradang atau kulit yang terluka.

4. Diamkan sampai setengah mengering, kemudian angkat masker peeling dari wajah sambil digosok perlahan.

5. Basuh wajah dengan air hangat, kemudian masker wajah dengan buah-buahan atau mentimun.

NOTE: cream peeling yang digunakan adalah jenis mask peeling






{ Read More }


Selasa, 21 Januari 2014

Contoh Naskah Pidato Bahasa Alay Lucu Keren Gokil

Naskah Pidato, berikut ini adalah Naskah Pidato Bahasa Alay yang sangat lucu dan unik. Naskah pidato ini tentang motivasi, semangat didalam sekolah. Menjaga diri dalam pergaulan dalam belajar disekolah maupun dirumah. Tetapi Pidato ini dikemas dalam bahasa 4lay yang menggemaskan yang bisa mengocok perut sobat sekalian.
Berikut contoh naskah pidato bahasa alay :

Naskah Pidato


Chamleeqummbh Wr.Wb

Prettt’amaX-amaaaaaaa marilah kiD’ah panjatKanz puji n tuQur atas kehadirat Allah SWT. Eank telah memberi nikmat n karunia-Na sehingga Qt all da4 berkumpul bersama-sama di hari Eank berbahagia Iniyh Gitchu... Xixixi…

Shalawat n Chalm mogo tetap tercurahKanz kepada Nabi Besar Qt Nabi Muhammad SAW. Eank telah menuntun Qt all dari zaman kegelapan sampai ke zaman Eank terang benderang Iniyh.

Kepada Yth. Bapak/Ibu selaku guyu-guyu Akyu n temen-temen Eank Akyu cintai n Akyu banggaKanz Bangedh. Hohohoho…

Qt Tawh n menyadari saat Iniyh Gitchu baXg terjadi PPa Eank disebut kenakalan remaja. Aneka peruWatan negatif oR menyimpang Eank dilakuKanz oleh para remaja sepertiNa dianggap oleh mereka seperti biasa-biasa bahKanz ada Eank menganggapNa sebagai sebuah kebanggaan. Mereka mengataKanz hal tersebut men7Kanz simbol sebuah keberanian. Iniyh tentu Beud memprihatinKanz. Lalalalalalalala…

Iniyh lah masalah sosial Eank menjangkit para remaja Qt saat Iniyh yakni perilaku menyimpang Eank sering disebut kenakalan remaja.

Adapun penyebab masalah kenakalan remaja bisa bermacam-macam. Bisa akibat salah orang tua dalam cara mendidik oR orangtua Eank terlalu cHybuQh dengan pekerjaanNa. Juga bisa Coz Gga tepatNa dalam memilih teman/lingkungan pergaulan sehingga bisa menyebabKanz terjerumusNa dalam pergaulan Eank salah. Ada satu perasaan di kehidupan remaja wawa memiliki baXg kawan adalah merupaKanz satu bentuk Eank membanggaKanz.
Leh sekali Qt mempunyai baXg kawan asalKanz Qt harus pandai memilih-milih terhadap mana perilaku temen Eank salah n mana perilaku temen yang baik n benar.

Ada baXg sekali macam-macan perilaku menyimpang remaja seperti mulai mengenali rokok n narkoba Eank awalNa haNa coba-coba PPi rasa mencoba itu aKanz Wat Qt menjadi ketagihan sehingga susah To berhenti dari ketergantungan rokok oR narkoba tersebut, Eank menyebabKanz Qt sakau n To menghentiKanz ketergantungan tersebut harus dengan cara di rehabilitasi (To pencandu narkoba). n masih baXg Ghiey perilaku-perilaku menyimpang remaja lainNa seperti Mzug geng motor, suka tawuran, mabuk-mabuKanz dll.

Mari Qt jauhi perilaku-perilaku menyimpang tersebut Coz hal tersebut aKanz merugiKanz diri sendiri, sebaikNa Qt gunaKanz masa-masa remaja Qt dengan hal-hal yang positif n juga bermanfaat bagi diri sendiri, orangtua n juga bangsa.


Temen-temenku Eank Akyu banggaKanz,
Walopun orang tua Qt Gga mengajarKanz secara penuh agar Klianz menjadi orang baik te-PPi keinginan mereka Dagh Pzt ingin Naggh- NagghNa menjadi orang Eank baik-baik. Gga 1 orang tua pun menginginKanz NagghNa berprilaku buruk.

Coz-Na Klianz Gga perlu menyalahKanz orang tua oR pun orang lain te-PPi diri Klianz sendirilah Eank harus Dagh bisa menjaga diri n bisa memilih mana Eank baik n mana Eank buruk.

Pilihlah lingkungan n teman-teman gaul secara selektif. Jangan asal senang. Jika lingkungan itu aKanz menjerumusKanz Klianz lebih baik Gga mendekatiNa sama sekali. baXg T4 gaul Eank positif Eank bisa Klianz pilih baik di sekolah maupun diluar sana. Disekolah Klianz bisa mengikuti kegiatan ekstra kurikuler, misalNa.

Sampai disini Eank bisa Akyu sampaiKanz dalam pidato Iniyh, Kaluw ada kesalahan mohon maklum.

Wasleeqummbh Wr.Wb.


Naskah Pidato




Gimana sob, naskah pidato bahasa alay diatas sangat unik, saangat lucu dan menarik pastinya. Ikuti terus Berita Terkini untuk dapatkan fb (update status lucu, gokil, keren) dan artikel menarik lainnya selain Naskah Pidato.
{ Read More }


Measure Remote Object Height by Sine Formula

If it is required to measure the height of an object from a certain distance without the need to go to that object, and the distance from the observer to the object is also not known. With only a protractor and distance measuring tool, these measurements can be calculated. Distance from observer to objects can also be calculated, without the need to go to the object.

This method uses a sine formula:


 
With simple input or measured data, that are:
at point A, the angle of the horizontal plane to the object = a
horizontal distance from point A to point B = L
at point B, the angle of the horizontal plane to the object = b

Formulas for calculation are:
straight distance from point A to object = b = sin 
b x L / sin b g = sin x L / sin (180 -a - b)
height of the object is = T = sin 
a x b
horizontal distance from point A to O or object base = AO = (b2 - T2) 1 / 2

To get accurate results, the distance A to B or L should be as long as possible, and the line L is an imaginary straight line through A and point O or base of object. The surveyors in the field of geodesy are using a Theodolite or Total Station, which is an instrument capable of measuring distances up to 1500 meters with an accuracy of 1.5 mm by a microwave or infrared device, and it is able to measure angles with an accuracy of nearly 0.5 seconds, so it obtains very accurate measurement results. 

The attached Excel document has a formula to calculate the height,and distance to an object.
Distance units and are used can be anything, eg: feet, miles, feet, mile, etc..
For the measurement of angles, always use the unit degrees.

{ Read More }


IconIconIconFollow Me on Pinterest